T10-RPO科研MBE用快猫社区APP成人官网发生器
3S-FS高浓度快猫社区APP成人官网发生器(
Absolute ATLAS H30 ALD PLD快猫社区APP成人官网发
科研用高浓度高纯度快猫社区APP成人官网
加拿大absolute TITAN30高压臭
0-300ppm UV低浓度快猫社区APP成人官网发生器
快猫成人短视频S6000 溶解水中快猫社区APP成人官网检
英国Pi溶解快猫社区APP成人官网检测仪
Palintest Lumiso快猫社区APP成人官网测量计
3S-J5000高浓度紫外快猫社区APP成人官网在线
快猫成人短视频J5000-L水中快猫社区APP成人官网检测仪
3S-J2便携式快猫社区APP成人官网气体监测仪
四柱快猫社区APP成人官网高级催化氧化实
快猫社区APP成人官网+UV一体化实验装置试
实验室电催化氧化电解槽
集装箱快猫社区APP成人官网发生器系统(
PLD、分子束外延高浓度臭
紫外线快猫社区APP成人官网处理废水一体
北京快猫成人短视频稀土纳米快猫社区APP成人官网催
快猫社区APP成人官网分解催化剂
快猫社区APP成人官网小试用快猫社区APP成人官网增压系统
UVO-Cleaner Model 42 紫外快猫社区APP成人官网
3S-B高浓度快猫社区APP成人官网水机(快猫社区APP成人官网
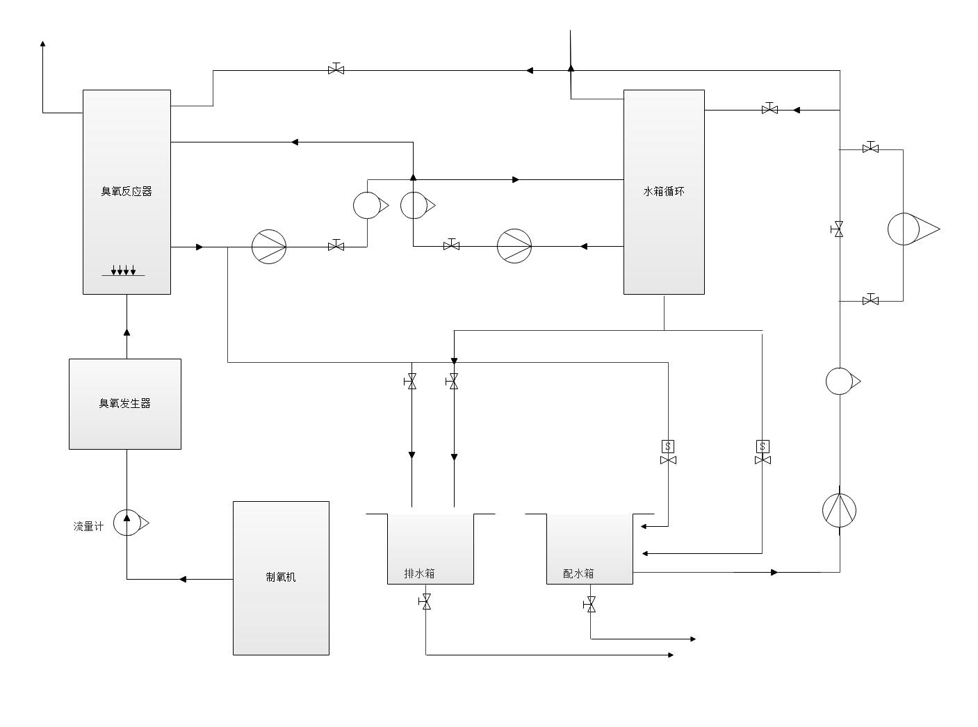
快猫社区APP成人官网暴露实验方案
快猫社区APP成人官网催化氧化实验系统
日本住友SGX系列半导体用
进口实验用微纳米气泡机
小型微纳米气泡机
快猫成人短视频快猫社区APP成人官网尾气破坏器(催化
实验用10um 5um微孔曝气头
快猫社区APP成人官网发生器专用小型制氧
气体质量流量计带流量显
Mazzei PVDF材质射流器 气水
KI-DPD水中快猫社区APP成人官网检测试剂盒
南京大学采购北京快猫成人短视频快猫社区APP成人官网发生器进行快猫社区APP成人官网处理水实验,反馈良好良好。